

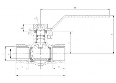
PN 25. Puni otvor. Tijelo pocinčano mesing UNE-EN 12165. PTFE sjedala. Krajevi s plinskim navojem (BSP) F SO 228/1. 2/3 načina sferne brtve tipa "L" / "T". EPDM o-prstenovi. Maks. temp. 150ºC. Ručna kontrola čelične poluge. Izravno sastavljanje ISO 5211.
Poverljiva stranka
Pouzdana dostava
1. Kuglični ventil s punim provrtom.
2. Konstrukcija od mesinga prema UNE-EN 12165 poniklano.
3. Plin s navojnim krajevima (BSP) žensko-ženski prema ISO 228/1
4. 2/3 načina sferne brtve oblika "L" (3272E) / "T" (3282E) sastavljena na 4 PTFE sjedala.
5. Mogući priključak aktuatora s izravnim nosačem ISO 5211 i DIN 3337.
6. Rad pomoću čelične ručke poluge.
7. Radna temperatura od -10ºC do 150ºC.
8. Maksimalni radni tlak 25 bara (PN-25).
9. EPDM o-prstenovi.
16 drugi proizvodi u istoj kategoriji:
Nepovratni ventil nudi protok od 5000 l/h (za betonske bazene/rezervoare - 4000 l/h za geomembranske bazene) za gubitak tlaka (tlak podzemne vode ili tlak plina potreban za otvaranje ventila) od 60 mbar (60 mm) glava).
1. Kuglasti ventil s punim provrtom. 2. Maksimalni radni tlak 25 bara (PN 25). 3. Mesing prema UNE-EN 12165. 4. Jedan kraj s unutarnjim navojem za plin (BSP) prema ISO 228/1, a drugi za spajanje cijevi putem Rac-GE sustava. 5. Rad pomoću čelične ručke. 6. Radna temperatura od -20ºC do 110ºC. 7. Prilagodljivo za spoj polietilenskih (PE) cijevi niske, srednje i visoke gustoće.
1. Odvojivi i monoblok (samo do 2”) povratni ventil. 2. Vruće kovanje mesinga prema UNE-EN 12165. 3. Plin sa ženskim krajevima (BSP) prema ISO 228/1. 4. Radna temperatura: Zrak: -20 ºC do 100 ºC. Plin: -20 ºC do 60º C. Voda: 0 ºC do 100 ºC. 5. Maksimalni radni tlak 25/18/12 bara (PN-25/ PN-18/ PN-12) 6. Prikladno za sve vrste industrijskih, pneumatskih i hidrauličnih instalacija. 7....
error Your review appreciation cannot be sent