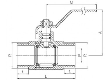
Gehäuse Messing UNE-EN 12165. PTFE-Sitze. MOP 5 Klasse (0 bis 5 bar). NBR-Verbindungen. Gewindeenden nach ISO 228/1 M-M. Temperaturbereich -20ºC bis 60ºC. DACROMET Abdeck-Stahldrücker, plombierbar. Zertifiziert von AENOR nach den Normen UNE-EN 331 und UNE 60718.
Aus duktilem Gusseisen EN-GJS 400-15, die Möglichkeit der Verkürzung der Montagefläche. Verzinkter Stahl-Quadrat 18mm. Kupplung aus Sphäroguss EN-GJS 400-15 montiert auf der Ventilspindel mit geteiltem Splint. Zugglocke und Anlaufscheibe aus PE. Rohrglocke schützt vor dem Eindringen von Schmutz aus dem Boden.
• Edelstahlspindel mit gerolltem Gewinde
• Flanschanschluss nach EN 1092-2; (DIN 2501) Druck PN10; PN16
• Produkt gemäß EN 13774
• Verpackungskork gegen das Eindringen von Schmutz geschützt
• Epoxidbeschichtung mindestens 250 µm gemäß EN 14901 GSK RAL-Zertifikat
• Reibungsarmes Doppelspindellager, das horizontal und vertikal arbeitet
• Dichtkork aus Dichtspindel, geschützt gegen...
Sphärogussabdeckung und Keil EN-GJS 400-15
• Vollbohrungsventil
• Vollvulkanisierter NBR-Keil
• Verwendung eines Gleitelements mit geringer Reibung
• Keilmutter aus geschmiedetem Messing - austauschbar
• Edelstahlspindel mit gerolltem Gewinde
• Reibungsarme Doppelspindellagerung, die horizontal und vertikal arbeitet
• Dichtkork aus Dichtspindel, geschützt gegen Kontakt mit dem Medium
•...
1. Messing gemäß UNE-EN 12164 - 12165
2. Verchromte Oberflächenveredelung
3. NBR-Verbindungen nach EN 549
4. PTFE-Sitze
5. Gewindeenden weiblich-weiblich nach ISO 7/1 (EN 10226-1)
6. Garantiert für die Verwendung von Erdgas
7. Druckklasse MOP 5 (0 bis 5 bar)
8. Arbeitstemperatur: von -20ºC bis 60ºC
9. Die Ventile können blockiert (in geschlossener Position) und plombiert werden
10. Schaft mit...
Verwenden:
Gasfilter Typ PL 7310 (Schrägfluss) und Typ PL 7320 (Geradfluss) sind zum Filtern von Erdgas (Flüssigkeitsgruppe 1 gemäß Richtlinie 2014/68 / EU) bestimmt. Filter können in Überkopfinstallationen in vertikalen oder horizontalen Rohrleitungen verwendet werden.
Technische Spezifikation:
Alle (100%) Filter sind auf Dichtheit geprüft. Die Tests überprüfen das Äußere und die Dichtheit...
Gehäuse Messing UNE-EN 12165. PTFE-Sitze. MOP 5 Klasse (0 bis 5 bar). NBR-Verbindungen. Gewindeenden nach ISO 228/1 M-M. Temperaturbereich -20ºC bis 60ºC. DACROMET Abdeck-Stahldrücker, plombierbar. Zertifiziert von AENOR nach den Normen UNE-EN 331 und UNE 60718.
error Ihre Bewertungsschätzung kann nicht gesendet werden