Telo iz medenine UNE-EN 12165. PTFE sedeži. Razred MOP 5 (0 do 5 barov). NBR spoji. Navojni konci po ISO 228/1 M-M. Temperaturno območje od -20°C do 60°C. Jeklena ročica z DACROMET prevleko. Potrdilo AENOR v skladu s standardoma UNE-EN 331 in UNE 60718.
8. Ventili se lahko blokirajo (v zaprtem položaju) in zaprejo
9. Dvojni NBR-tesnilni obroč
10. Telo in pokrov sta zatesnjena z lepilom in NBR tesnilnim obročem
11. Potrdilo AENOR v skladu s standardom UNE-EN 331 in UNE 60718
12. Tesnilni ročaj iz jekla z Dacromet prevleko
PL 3610
Pridržujemo si pravico do spremembe cen, ki se zgodi v primeru povišanja cen s strani dobavitelja za izdelke, ki niso na zalogi oz. so na zalogi pri dobavitelju.
Zaenkrat še ni mnenj kupcev.
error
Vašega mnenja ni mogoče poslati
feedback
Prijavi komentar
Ali ste prepričani, da želite prijaviti ta komentar?
check_circle
Poročilo je bilo poslano
Vaše poročilo je bilo oddano in ga bo obravnaval moderator.
error
Vašega poročila ni mogoče poslati
Napišite mnenje
check_circle
Mnenje je bilo poslano
Vaš komentar je bil dodan in bo na voljo, ko bo potrjen s strani moderatorja.
1. Medenina po UNE-EN 12164 - 12165
2. Kromirana površina
3. NBR spoji po EN 549
4. PTFE sedeži
5. Konci navojev ženski po ISO 7/1 (EN 10226-1) in cevni priključek
6. Zagotovljeno za uporabo zemeljskega plina
7. Tlačni razred MOP 5 (0 do 5 barov)
8. Delovna temperatura: od -20°C do 60°C
9. Ventili se lahko blokirajo (v zaprtem položaju) in zaprejo
10. Dvojni NBR-tesnilni obroč
11. Zatesnljiv...
1. Medenina po UNE-EN 12164 - 12165
2. NBR spoji po EN 549
3. Sedeži iz PTFE
4. Plinski navoj (BSP), moški ISO 228/1
5. Zagotovljeno za uporabo zemeljskega plina
6. Temperaturno območje od -20°C do 60°C
7. Tlačni razred MOP 5 (0 do 5 barov)
8. Ventili se lahko blokirajo (v zaprtem položaju) in zaprejo
9. Dvojni NBR-tesnilni obroč
10. Telo in pokrov sta zatesnjena z lepilom in NBR tesnilnim...
1. Kromirana medenina v skladu z UNE-EN 12164 - 12165.
2. NBR spoji po standardu EN 549
3. Sedeži iz PTFE
4. Plinski navoj (BSP), moški ISO 228/1
5. Zagotovljeno za uporabo zemeljskega plina.
6. Temperaturno območje od -20°C do 60°C
7. Tlačni razred MOP 5 (0 do 5 barov)
8. Ventili se lahko blokirajo (v zaprtem položaju) in zaprejo.
9. Dvojni NBR-tesnilni obroč
10. Telo in pokrov sta zatesnjena...
Vijaki za zapiranje objemke so privarjeni po celotni dolžini tangente na lupino pločevine in prevlečeni s teflonom.
• Povezave se smejo izvajati samo z neprekinjenimi zvari v argonskem zaščitnem plinu
• NBR valovito tesnilo, ki pokriva celotno notranjo površino
• Objemke, označene z nalepko proizvajalca (sprejemljiv premer in material cevi):
- za premere od DN15 do DN225 - enodelni
-...
Izdelano iz nodularne litine EN-GJS 400-15
• Klinasta matica iz kovane medenine - zamenljiva
• Dvovretenski ležaj z majhnim trenjem, ki deluje vodoravno in navpično
• Tesnilo vretena z tesnilnim obročem, pluta za zaščito pred stikom z medijem
• Pocinkani vijaki, zaščiteni z voskom
• NBR popolnoma vulkaniziran klin
• Vreteno iz nerjavečega jekla z valjanim navojem
• Uporaba drsnega elementa z...
1. Medenina po UNE-EN 12164 - 12165
2. Kromirana površina
3. NBR spoji po EN 549
4. PTFE sedeži
5. Konci navojev moški-ženski v skladu z ISO 7/1 (EN 10226-1)
6. Zagotovljeno za uporabo zemeljskega plina
7. Tlačni razred MOP 5 (0 do 5 barov)
8. Delovna temperatura: od -20°C do 60°C
9. Ventili se lahko blokirajo (v zaprtem položaju) in zaprejo
10. Dvojni NBR-tesnilni obroč
11. Zatesnljiv...
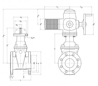
• Polnilni ventil
• Vreteno iz nerjavečega jekla z valjanim navojem
• Prirobnični priključek po EN 1092-2; (DIN 2501) tlak PN10; PN16
• Izdelek v skladu z EN 13774
• Pakirna pluta zaščitena pred prodiranjem umazanije
• Epoksidni premaz najmanj 250 mikronov v skladu s certifikatom EN 14901 GSK RAL
• Dvovretenski ležaj z majhnim trenjem, ki deluje vodoravno in navpično
• Tesnilna pluta iz...
Uporaba:
Plinska filtra tip PL 7310 (nagnjeni pretok) in tip PL 7320 (pretok naravnost) sta namenjena filtriranju zemeljskega plina (tekoča skupina 1 v skladu z direktivo 2014/68 / EU). Filtri se lahko uporabljajo v nadzemnih instalacijah v navpičnih ali vodoravnih cevovodih.
Tehnična specifikacija:
Vsi (100%) filtri so testirani na tesnost. Preskusi preverjajo zunanjost in tesnost prednjega...
Uporaba:
Priporočljivo za ventile, nameščene na nižjih nivojih v vodnjakih ali neposredno v tleh.
Povezava z ventilom:
osno - podaljšano vreteno
ni osno - podaljšano vreteno s kardanom
Tehnična specifikacija:
- temperatura do + 70°C
- število rotacij znotraj obsega kazalnika 64, 90, 250
- Zaščita pred preobremenitvijo in demontažo kolesa
- največ vrednost navorov:
64 vrtljajev - 350Nm
90/250...
Telo iz medenine UNE-EN 12165. PTFE sedeži. Razred MOP 5 (0 do 5 barov). NBR spoji. Navojni konci po ISO 228/1 M-M. Temperaturno območje od -20°C do 60°C. Jeklena ročica z DACROMET prevleko. Potrdilo AENOR v skladu s standardoma UNE-EN 331 in UNE 60718.
error Vašega mnenja ni mogoče poslati