PN 25. Voller Durchgang. Gehäuse Messing vernickelt UNE-EN 12165. PTFE-Sitze. Gasgewindeenden (BSP) F SO 228/1. 2/3-Wege-Kugeldichtung Typ "L" / "T". EPDM-O-Ringe. max. temp. 150°C. Manuelle Steuerung mit Stahlhebel. Direktmontage ISO 5211.
Secur klient
Vertrauenswürdige Lieferung
1. Kugelhahn mit vollem Durchgang.
2. Messingkonstruktion nach UNE-EN 12165 vernickelt.
3. Gewindeenden Gas (BSP) weiblich-weiblich nach ISO 228/1
4. 2/3-Wege "L" (3272E) / "T" (3282E) kugelförmige Dichtung, montiert auf 4 PTFE-Sitzen.
5. Möglicher Direktanbau des Antriebs nach ISO 5211 und DIN 3337.
6. Arbeiten mittels Stahlhebelgriff.
7. Arbeitstemperatur von -10ºC bis 150ºC.
8. Maximaler Betriebsdruck 25 bar (PN-25).
9. EPDM-O-Ringe.
16 andere Artikel in der gleichen Kategorie:
1. Absperrschieber, reduzierter Durchgang. 2. Gehäuse aus Messing gemäß UNE-EN 12165. 3. Gewindeenden Gas (BSP) Innen-Innengewinde gemäß ISO 228/1. 4. Stammverpackung: -NBR O-Ring von 1/2" bis 1 1/2". -PTFE-Spindelpackung von 2" bis 4". 5. max. Betriebsdruck 16 bar (PN16). 6. Geeignet für heißes und kaltes Wasser. 7. Arbeitstemperaturbereich: Luft: -15 ºC bis 105 ºC. Wasser: 0 ºC bis 110 ºC.
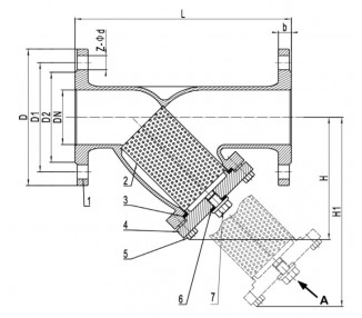
ANWENDUNG Heizsystem und ungenießbares Brauchwasser, Dampf und andere kompatible Flüssigkeiten. ALLGEMEINE EIGENSCHAFTEN Gehäuse und Oberteil "Y" aus Gusseisen von DN15 bis DN300 und aus Sphäroguss für DN350 und DN450 Zerlegbarer Edelstahlschirm. Ablassschraube G1/2 (DN15-100); G3/4 (DN125-400) Flanschenden PN 16. ARBEITSBEDINGUNGEN Maximaler Arbeitsdruck: 16 bar Maximale Temperatur:...
error Ihre Bewertungsschätzung kann nicht gesendet werden