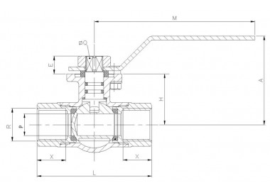
Trosmerni krogelni ventil za neposredno sestavljanje tipa "T"
PN 25. Polna izvrtina. Iz ponikljane medenine UNE-EN 12165. PTFE sedeži. Konci s plinskim navojem (BSP) F SO 228/1. 2/3 načina sferičnega tesnila tipa "L" / "T". EPDM tesnilni obročki. Maks. temp. 150°C. Ročni nadzor preko jeklene ročice. Neposredno sestavljanje ISO 5211.
2. Medeninasta konstrukcija po UNE-EN 12165 ponikljano.
3. Plinski navoj (BSP) ženski-ženski v skladu z ISO 228/1
4. 2/3 načina sferičnega tesnila v obliki črke "L" (PL 3272E) / "T" (PL 3282E), sestavljenega na 4 PTFE sedežih.
5. Možna neposredna povezava pogona ISO 5211 in DIN 3337.
6. Upravljanje s pomočjo jeklene ročice.
7. Delovna temperatura od -10°C do 150°C.
8. Največji delovni tlak 25 barov (PN-25).
9. EPDM tesnilni obročki.
PL3272E 04
Pridržujemo si pravico do spremembe cen, ki se zgodi v primeru povišanja cen s strani dobavitelja za izdelke, ki niso na zalogi oz. so na zalogi pri dobavitelju.
Zaenkrat še ni mnenj kupcev.
error
Vašega mnenja ni mogoče poslati
feedback
Prijavi komentar
Ali ste prepričani, da želite prijaviti ta komentar?
check_circle
Poročilo je bilo poslano
Vaše poročilo je bilo oddano in ga bo obravnaval moderator.
error
Vašega poročila ni mogoče poslati
Napišite mnenje
check_circle
Mnenje je bilo poslano
Vaš komentar je bil dodan in bo na voljo, ko bo potrjen s strani moderatorja.
1. Kotni krogelni ventil s inox filtrom, standardna izvrtina.
2. Izdelano iz vroče kovane medenine po UNE-EN 12165, kromirano, polirano.
3. Navoj plinski (BSP) moški navoj v skladu s ISO 228/1.
4. Sedeži NBR.
5. Ročaj iz plastike.
6. Največji delovni tlak 10 barov (PN 10).
7. Delovna temperatura od -20 °C do 110 °C.
8. Filter iz nerjavečega jekla AISI 316.
9. Zaključna kromirana prevleka.
1. Tesnilni trak iz čistega teflona (PTFE) (> 99%).
2. Širina traku 12 mm.
3. Debelina traku 0,075 mm.
4. Dolžina traku 12 m.
5. Gostota 0,35 g / cm3
6. Delovna temperatura: -240ºC do + 260ºC.
7. Delovni tlak: od vakuuma do 210bar (hidravlični tlak 700 bar).
8. Inertna za kemična sredstva.
9. Ne strdi se, se ne stara ali drži.
10. Natezna trdnost 10Mpa.
11. Raztezek 50%.
12. Razpon pH 1-14.
1. Krogelni ventil s polno izvrtino
2. Medenina po UNE-EN12165 kromirana
3. BSP v skladu z ISO 228/1
4. upravljanje s pomočjo jeklenega ročaja
5. Delovna temperatura od -20°C do 110°C
6. Največji delovni tlak 25 barov (PN 25)
7. Sedeži iz PTFE
8. Odobreni izdelek WRAS
DELOVNI POGOJI
Največji delovni tlak: 16 barov.
Najvišja temperatura: + 80°C.
Tlačni preskus po standardih EN 12266-1, DIN 3230, BS 5154 in ISO 5208:
Telo: 24 barov.
Sedež: 17,6 bar.
STANDARDI
BSP z navojem po standardu ISO 228-1.
Prirobnični fazonski element tipa T (PL T 9203), namenjen cevnim sistemom in uporabljen kot element za preusmeritev smeri pretoka medija iz navpične v vodoravno ali obratno.
Prirobnični fazonski elementi tipa T 9203 se uporabljajo za pretok pitne in industrijske vode ter drugih tekočin (določiti s proizvajalcem)
- temperatura od -10°C do + 70°C.
- obseg uporabljenih premerov cevi v skladu s...
1. Krogelni ventil s polnim premerom.
2. Medeninasta konstrukcija v skladu z UNE-EN 12165, kromirana.
3. Navojni konci za plin (BSP) moški-ženski v skladu z ISO 228/1. Enostranski dvodelni priključek.
4. Delovanje s pomočjo jeklene ročice.
5. Delovna temperatura od -20 °C do 110 °C.
6. Najvišji delovni tlak 25 barov (PN 25).
7. Sedež iz PTFE.
1. Priključek krogelnega ventila na cev.
2. Medeninasta konstrukcija v skladu z UNE-EN 12165 kromirano.
3. Moški dovod z navojem za plin (BSP) v skladu z ISO 228/1.
4. Dvodelni priključek z difuzorjem za priključno cev in 3/4" zunanjim navojem.
5. Delo z jeklenim ročajem.
6. Neizmetljivo steblo.
7. PTFE sedeži.
8. Delovna temperatura od -20ºC do 100ºC.
9. Največji delovni tlak 16 barov...
Uporaba
Ogrevalni sistem in nepitna gospodinjska voda, para in druge kompatibilne tekočine.
SPLOŠNE ZNAČILNOSTI
Filter, opremljen z magnetno gredjo za zaznavanje kovinskih delcev v tekočini. Telo "Y" in pokrov iz litega železa od DN15 do DN300 in iz nodularne litine za DN350 in DN450. Epoksidni premaz RAL 5019 debeline 80-100µm.
Snemljiv zaslon iz nerjavečega jekla.
Odtočni čep G3/8...
PN 25. Polna izvrtina. Iz ponikljane medenine UNE-EN 12165. PTFE sedeži. Konci s plinskim navojem (BSP) F SO 228/1. 2/3 načina sferičnega tesnila tipa "L" / "T". EPDM tesnilni obročki. Maks. temp. 150°C. Ročni nadzor preko jeklene ročice. Neposredno sestavljanje ISO 5211.
error Vašega mnenja ni mogoče poslati