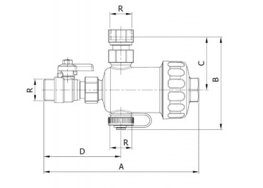
Kompaktni magnetni filter za bolierje. Konstrukcija karoserije iz poliamida PA66 + 33%FV. Filter iz nerjavečega jekla AISI 304, 800 mikronov. Priključek M - G3/4 "UNE -EN ISO 228. Magnetni element neodim RE35 11.000 Gauss. Največji delovni tlak 3 bar. Največja delovna temperatura 90 ° C
Zaupanja vredni
Zanesljiva dostava
OPIS
Rešitev za reševanje težav v obratu zaradi onesnaženja z delci, zlasti peskom in rjo, ki nastanejo zaradi korozije in vodnega kamna med normalnim delovanjem sistema.
NAČELO DELOVANJA
Magnetni filter s svojim učinkovitim in stalnim delovanjem zbira vse nečistoče, prisotne v sistemu, in preprečuje njihovo kroženje v njem, s čimer se prepreči obraba in poškodbe preostalih komponent, ki sestavljajo sistem, zlasti obtočnih črpalk in toplotnih izmenjevalnikov.
KONSTRUKCIJSKE LASTNOSTI
Telo kartuše: Poliamid PA66 +30 % FV
Pokrov filtra: Poliamid PA66 +30 % FV
Filtrirna kartuša: AISI 304
Hidravlična tesnila: EPDM PEROX
Magnet:
B (MaxT) / B (RoomT)* < 1 % (kjer je MaxT = 130 °C, RoomT = 21 °C)
Testirano v skladu s predpisi IEC 60404-5 in ASTM A977
Neodim REN35 B = 11.000 Gauss
Telo krogličnega ventila: Medenina
Vrtljivi priključek: Medenina
TEHNIČNE LASTNOSTI
Združljiva tekočina: Voda, voda + glikol
Maks. Delovni tlak: 3 bare
Delovna temperatura: 0÷90 °C
Stopnja filtracije: 800 µm
Hrup (v skladu z EN13443 in UNI 3822).
Hrup, ki ga povzroča MG1 v ceveh, je 0 dB(A).
Kot je določeno v predpisu EN 13443, MG1 spada v skupino I, tako kot vsi drugi izdelki z ravnijo hrupa < 20 dB(A).
UPORABA
Priporočljivo ga je namestiti na povratni krog, na vhodu v kotel, da ga zaščitite pred morebitnimi nečistočami v sistemu, zlasti med fazo zagona.
Zaradi kompaktnih dimenzij ga je mogoče namestiti pod kotel, v sistemih za domačo uporabo, kjer je prostor za namestitev zelo omejen in ni prostora za tradicionalni lovilec umazanije.
STOPNJA FILTRACIJE
Odstranjuje magnetne in nemagnetne delce, ki lahko poškodujejo sistem v prvem dnevu delovanja. Neprekinjen pretok tekočine skozi filter med normalnim delovanjem sistema, na katerem je nameščen, postopoma odstrani morebitno umazanijo.
16 drugi izdelki v isti kategoriji:
Tovarniško prednastavljeni za distribucijo sanitarne tople vode pri približno 45°C in so opremljeni s posebnimi ventili ECO za pregled s 3 funkcijami: – zaporna pipa – protipovratni ventil – filter iz nerjavnega jekla Če je potrebno, spremenite temperaturo, dovolj je, da popustite šestrobni kalibracijski vijak, zavrtite ročaj in z branjem potopnega termometra natančno ugotovite želeno...
1. Conski ventil je namenjen za uporabo v krmilnih terminalskih enotah, kot so ventilatorski konvektorji in škatle v ogrevalnih, prezračevalnih in klimatskih sistemih. 2. Ventili se lahko uporabljajo s toplo in hladno vodo v temperaturnem območju od 0 ºC (brez zmrzovanja) do 94 ºC. 3. Ventil poganja histerezni sinhronski motor s povratno vzmetjo. 4. Obstajata dve vrsti motoriziranih ventilov:...
SPLOŠNE ZNAČILNOSTI Razpon: od DN65 do DN600. -Oblikovanje po standardu BS7350: 1990. -Model, ki vključuje kalibrirano odprtino na odprtini na vhodni prirobnici, ki omogoča stalno merjenje pretoka, regulacijo in odrezovanje -Sedež, ki zagotavlja odlično natančnost nastavitve. -Točnost merjenja pretoka +/- 5% pri katerem koli odprtem položaju ventila v skladu z BS7350. -Indikator odpiranja...
UPORABA: Horizontalna membranska posoda (ekspanzijska posoda) za hladno vodo 50l je zasnovana za sestavo s črpalko z dodatki.Kot rezultat takšne dopolnitve in po dodajanju antivibracijske cevi s kolenom dobimo kompakten in razmeroma majhen hidroforski set. Pri izbiri velikosti rezervoarja je treba upoštevati, da je količina vode, ki je na voljo med izklopom in ponovnim vklopom črpalke,...
Termostatski mešalni ventil za centralizirane sisteme tovarniško nastavljen na približno 45°C – možnost izbire temperature z vrtenjem ročaja in odčitavanje potopnega termometra, ki je nameščen na ohišju mešalnika – varnostna naprava proti oparinam – ponikljano. Najvišja vroča temperatura: 85°C Območje nadzora: 20-65°C Največji tlak: 10 barov
Uporaba: Za naprave s sončnimi kolektorji, pečmi in toplotnimi črpalkami. Za distribucijske naprave tople vode za sanitarne namene, prhe, umivalnike itd. Za manjše naprave talnega ogrevanja. 1. Mešalna naprava z nastavitvijo temperature in zaustavitvijo dovoda vode po standardu EN 1111. 2. Ohranja konstantno temperaturo mešane vode v vseh vodovodnih sistemih. 3. Izvlečna kartuša in...
DELOVNI POGOJI Največji delovni tlak: 25 bar Največja delovna temperatura: -10 ° C / 120 ° C STANDARDI Prirobnični priključek po EN 1092-2 ISO PN 25. Preskusni tlak v skladu z EN 12266-1, DIN 3230, BS 6755 in ISO 5208.
Telo iz nerjavečega jekla AISI 304L Priključni deli iz medenine CW617N EPDM tesnila in tihi bloki Polimerna ročna kolesa in pokrovi Odvodni priključek: G 3/4” (ISO 228) EUROKONUS Priključki na liniji: Ženski 1" (ISO 228) maks. delovni tlak: 6 bar Največji preskusni tlak tokokroga: 10 barov (pri 20 °C) Diferenčni tlak Δp max.: 1 bar Najvišja delovna temperatura: 70°C Dovoljena tekočina: voda ali...
1. Vročo vodo, ki prihaja iz panela, usmerite proti kotlu in porabi. Razmerje bo odvisno od vstopne temperature. 2. Nastavitev temperature 40ºC. 3. Termostatska enota z zaščito pred vodnim kamnom in hitrim odzivom. 4. Najvišja temperatura dovoda vode 110ºC. 5. Največji delovni tlak 10 barov. 6. Pretok 45 l/min. pri tlaku 3 bar.
UPORABA: 8-litrska ekspanzijska posoda za hladno vodo je zasnovana za montažo na majhno hidroforna črpalko z dodatki. Kot rezultat takšne montaže dobimo zelo kompakten in majhen hidroforski komplet. Večnamenski rezervoar z zamenljivo membrano za zaprte ogrevalne sisteme. Ekspanzijska posoda z zamenljivo membrano je eden od elementov zaščite zaprtih sistemov centralnega ogrevanja. Transportne...
1. Vnaprej sestavljen termostatski komplet. 2. Olajša povezavo s solarnega panela na kotel in poenostavi namestitev. 3. Termostatski mešalni ventil z zaščito pred vodnim kamenjem. 4. Preklopni termostatski ventil s prednastavljeno temperaturo pri 40ºC. 5. Priključki vključeni. 6. Nepovratni ventil s filtrom iz nerjavnega jekla. 7. Najvišja temperatura dovoda vode 110ºC.
1. Izravnalni ventil je enokomponentna naprava s funkcijami prilagajanja in meri hladne in vroče tekočine, ki prehajajo v zaprtih in odprtih sistemih, z naslednjimi prednostmi: • Mikrometrična nastavitev pretočnega pretoka. • Kazalnik kalibracijskega odčitavanja številske vrednosti na ročaju ventila. • Možnost preverjanja vezja s posrednim merjenjem pretoka s piezometričnimi vhodi na ohišju...
1. Balansirni ventil je enokomponentna naprava z nastavitvenimi funkcijami, ki meri hladne in vroče tekočine, ki prehajajo v zaprtih in odprtih sistemih, z naslednjimi prednostmi: - Ohranjanje konstantnega pretoka pri vrednosti naprave v območju diferenčnega tlaka med gornjim in spodnjim tokom - Vrednost pretoka se nastavi s pomočjo kartuše, ki je nastavljiva za zagotovitev načrtovanega...
UPORABA: 24-litrska horizontalna membranska posoda (ekspanzijska posoda) za hladno vodo je zasnovana za sestavo z majhno črpalko z dodatki. Zaradi takšne dodelave in dodajanja antivibracijske cevi s kolenom dobimo kompakten in relativno majhen hidroforski set. Rezervoar uporablja gibljivo membrano, ki deli prostor v rezervoarju na dva dela. Voda je shranjena v diafragmi. Med membrano in stene...
UPORABA: Horizontalna membranska posoda za hladno vodo 80l je zasnovana za sestavo s črpalko s priborom, s takšno sestavo in dodajanjem antivibracijske cevi s kolenom dobimo kompakten in relativno majhen hidroforski set. Pri izbiri velikosti rezervoarja je treba upoštevati, da je količina vode, ki je na voljo med izklopom in ponovnim vklopom črpalke, približno 1/3 njene kapacitete. Ta parameter...
error Vašega mnenja ni mogoče poslati