

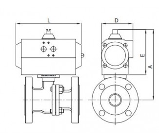
Inox krogelni ventil z navojnim in varjenima priključkoma je namenjen za uporabo v procesni, farmacevtski in živilsko-predelovalni industriji ter procesni industriji kjer je pomembna čistoča. Omogočajo higienski spoj ter hitro in enostavno razstavljanje, čiščenje in vnovično sestavljanje cevnih segmnetov, elementov.
Krogelnemu ventilu je dodan dvostranski pnevmatski ventil za odpiranje / zapiranje.
Z izbiro tri-clamp elementov imamo zagotovljeno enostavno čiščenje in vzdrževanje cevnih sistemov, saj je to izrednega pomena za farmacevtsko in prehrambeno industrijo. Zaradi hitre razstavitve, čiščenja in sestavljanja cevnih sistemov prihranimo veliko časa in zmanjšamo stroške zaustavitve proizvodnje.
Zaupanja vredni
Zanesljiva dostava
Lastnosti:
1. Krogelni ventil primeren za uporabo v procesni industriji (cevovodi, tehnološke inštalacije, rezervoarji, sanitarne vode)
2. Navoj / varilni konci po DIN 11851.
3. Izdelano iz AISI 304.
4. PTFE sedeži.
5. Tesnilo NBR.
6. Pnevmatsko upravljanje - dvosmerni pogon.
7. Preprosta avtomatizacija.
8. Elektro polirana površina (Ra ≤ 0,8 µm).
9. Nizek navor (odpiranje, zapiranje)
10. Najvišji delovni tlak 10 barov.
11. Najvišja Delovna temperatura 120 ºC.
16 drugi izdelki v isti kategoriji:
1. Medprirobnična zaporna loputa iz nerjavnega jekla AISI 316 2. Razdeljeno telo iz nerjavečega jekla 1.4408 (CF8M) za namestitev med ANSI 150 in EN 1092 PN 10/16. 3. PTFE tesnilo sedeža na sedežu iz EPDM. 4. Disk iz nerjavečega jekla 1.4408 (CF8M). 5. Steblo iz nerjavečega jekla AISI 316. 6. Montažna plošča pogona po ISO 5211. 7. EN 558-1 Series 20 (DIN 3202 K1). 8. Najvišji delovni tlak 10...
1. Krožni ventil 150 razreda. 2. Oblikovanje v skladu z EN ISO 15761 (API 602). 2. Izdelano iz kovanega jekla ASTM A105N. 3. Sedež iz nerjavečega jekla, utrjen s stelitom. 4. Disk iz nerjavečega jekla. 5. Obroba # 8 (enakovredno XU). 6. Konci s prirobnico v skladu z ANSI B 16.5. 7. Pokrov z vijaki. 8. Maks. Delovni tlak 19 barov. 9. Delovna temperatura: -29º C do 420º C.
1. Medprirobnična loputa - wafer tip. 2. Nodularna litina EN-GJS-400 (GGG-40) deljeno telo omogoča namestitev med ANSI 150 in EN 1092 PN 10/16 prirobnice. 3. PTFE tesnilo telesa na sedežu iz EPDM. 4. Disk iz nerjavečega jekla 1.4408 (CF8M) poliran. 5. Steblo iz AISI 316. 6. Montažna plošča pogona po ISO 5211. 7. EN 558-1 Series 20 (DIN 3202 K1). 8. Najvišji delovni tlak 10 bar. 9. Delovna...
Ventil: Telo: medenina CW617N, kromirano UNE-EN 12165 Krogla: medenina CW617N Pokrov: medenina CW617N Os: medenina CW617N Tesnilo: PTFE Del. temp.: -20 +110°C Max. del tlak: 40 bar do 2". Od 2 1/2 do 4" max. del. tlak: 25 bar Navoji: BSP F-F ISO 228/1 Priklop: vgradni adapter do 2" ISO 5211 Pogon: Telo: aluminij ASTM6005 Pritrdilni elementi: inox Prikaz pozicije: open / close Delovanje:...
1. Medprirobnična loputa - wafer tip. 2. Nodularna litina EN-GJS-400 (GGG-40) deljeno telo omogoča namestitev med ANSI 150 in EN 1092 PN 10/16 prirobnice. 3. PTFE tesnilo telesa na sedežu iz EPDM. 4. Disk iz nerjavečega jekla 1.4408 (CF8M) poliran. 5. Steblo iz AISI 316. 6. Montažna plošča pogona po ISO 5211. 7. EN 558-1 Series 20 (DIN 3202 K1). 8. Najvišji delovni tlak 10 bar. 9. Delovna...
1. Krogelni ventil iz nerjavečega jekla, 3 delni. 2. Konci za spajanje z tri-clamp spojko (BS 4825-3). 3. Izdelan iz nerjavečega jekla 1.4408 (CF8M) / (AISI 316). 4. S PTFE napolnjenimi sedeži. 5. Možnost neposredne namestitve pogona ISO 5211. 6. O’ring v steblu FKM (Viton). 7. Antistatična izvedba. 8. Sistem za možnost zaklepanja. 9. Polirana notranja površina telesa in krogle (Ra 0,8 µm) 10....
1. Nepovratna medprirobnična loputa, enojni disk. 2. Iz nerjavnega jekla 1.4408 (CF8M). 3. Disk iz nerjavečega jekla 1.4408 (CF8M). 4. Vzmeti iz AISI 316. 5. Dimenzije DN15 - DN200 (1/2"-8") 6. Montaža med prirobnicami EN 1092 PN10/16/25/40 in ANSI 150/300. 7. Nameščen z navpičnim, vodoravnim ali nagnjenim tokom. 8. Centrirni obroč. 9. V skladu z EN 558-1 S.49. 10. Maks. delovni tlak...
error Vašega mnenja ni mogoče poslati