

Loputa za ogrevanje, paro, certificirano požarno varna.
Zaupanja vredni
Zanesljiva dostava
UPORABA
Splošna uporaba: za vse običajne tekočine.
SPLOŠNE ZNAČILNOSTI
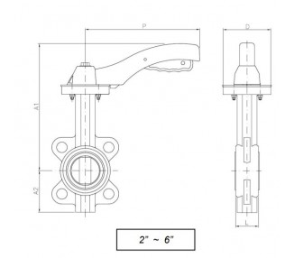
Od DN50 do DN150
100% tesnost.
Tip za montažo med prirobnice ISO PN25
Dvosmerni ekscentrični dvosmerni s prednostno smerjo pretoka, označeno s puščico
Požarno varen po ISO 10497 : 2010
Montažna blazinica ISO 5211
Disk iz nerjavečega jekla CF8M, polno križno steblo
10 položajev ročaj iz nodularnega železa, z napravo za zaklepanje.
DELOVNI POGOJI
Maksimalna delovna temperatura: -29°C / +210°C
Največji delovni tlak: 25 barov
STANDARDI
Preskusi tesnosti po API 598 in ISO 5208.
Po API 609.
Priključek po EN 1092-1 PN25.
16 drugi izdelki v isti kategoriji:
Lastnosti: 1. Krogelni ventil primeren za uporabo v procesni industriji (cevovodi, tehnološke inštalacije, rezervoarji, sanitarne vode) 2. Navoj / varilni konci po DIN 11851. 3. Izdelano iz AISI 304. 4. PTFE sedeži. 5. Tesnilo NBR. 6. Pnevmatsko upravljanje - dvosmerni pogon. 7. Preprosta avtomatizacija. 8. Elektro polirana površina (Ra ≤ 0,8 µm). 9. Nizek navor (odpiranje, zapiranje) 10....
DELOVNI POGOJI Največji delovni tlak: 16 barov. Najvišja temperatura: + 80°C. Tlačni preskus po standardih EN 12266-1, DIN 3230, BS 5154 in ISO 5208: Telo: 24 barov. Sedež: 17,6 bar. STANDARDI BSP z navojem po standardu ISO 228-1.
1. Krogelni ventil iz nerjavečega jekla, 3 delni. 2. Konci za spajanje z tri-clamp spojko (BS 4825-3). 3. Izdelan iz nerjavečega jekla 1.4408 (CF8M) / (AISI 316). 4. S PTFE napolnjenimi sedeži. 5. Možnost neposredne namestitve pogona ISO 5211. 6. O’ring v steblu FKM (Viton). 7. Antistatična izvedba. 8. Sistem za možnost zaklepanja. 9. Polirana notranja površina telesa in krogle (Ra 0,8 µm) 10....
1. Kontrolni ventil razreda 800 batni tip. 2. Oblikovanje v skladu z EN ISO 15761 (API 602). 3. Izdelano iz kovanega jekla ASTM A105N. 4. Sedež v karoseriji utrjen s stelitom. 5. Bat iz kaljenega nerjavečega jekla. 6. Obroba št. 8 (enakovredno XU). 7. Navojni konci po po ASME B1.20.1 (NPT). 8. Pokrov z vijaki. 9. Maks. Delovni tlak 140 barov. 10. Delovna temperatura: -29º C do 420º C.
1. Medprirobnična loputa - wafer tip. 2. Nodularna litina EN-GJS-400 (GGG-40) deljeno telo omogoča namestitev med ANSI 150 in EN 1092 PN 10/16 prirobnice. 3. PTFE tesnilo telesa na sedežu iz EPDM. 4. Disk iz nerjavečega jekla 1.4408 (CF8M) poliran. 5. Steblo iz AISI 316. 6. Montažna plošča pogona po ISO 5211. 7. EN 558-1 Series 20 (DIN 3202 K1). 8. Najvišji delovni tlak 10 bar. 9. Delovna...
error Vašega mnenja ni mogoče poslati