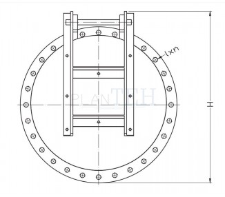
Žabji pokrov služi za preprečevanje povratnega toka na odtoku drenažnih sistemov, cevovodov. V primeru naraščanja vodostaja (rek, potov, jezer in morja) se prepreči povratni tok. Pokrov se zaradi samodejnega zapiranja lopute zapre. Masa naraščajočega vodostaja pa omogoča, da naležna plošča (loputa) pritisne ob tesnilno gumo ter tako popolnoma zatesni cevovod. Žabji pokrov je uporaben tudi pri zaščiti pred poplavami, saj onemogoča da voda iz vodotokov prihaja preko cevovodov v zgradbe. Žabji pokrov preprečuje naseljevanje živali v cevovodu.
- Telo in loputa sta izdelana iz nerjavnega jekla 1.4301 (AISI 304).
- Obodno tesnjenje lopute NBR / EPDM po standardu ISO 1629
- Zamenljivo tesnilo na loputi ki preprečuje povratni tok.
- Razstavljive zveze (vijaki, podložke in matice), ki povezujejo elemente so iz nerjavečega jekla.
- Nazivni premeri priključkov v skladu s PN-EN ISO 6708.
- Oznaka lopute ustreza zahtevam standarda: PN-EN 19
- Rotirni mehanizem po standardu PN-EN 10088-1
- Vijaki in podložke iz nerjavečega jekla 1.4301
- Izdelano po standardu EN ISO 6708
Pogosta uporaba:
- Pri transportu odplak in drugih inertnih tekočin v čistilnih napravah, črpališčih za odplake, drenažnih in hidrotehničnih objektih, sistemih za melioracijo cest, protipoplavnih sistemih.
- različne industrije.
PL2850
Pridržujemo si pravico do spremembe cen, ki se zgodi v primeru povišanja cen s strani dobavitelja za izdelke, ki niso na zalogi oz. so na zalogi pri dobavitelju.
Zaenkrat še ni mnenj kupcev.
error
Vašega mnenja ni mogoče poslati
feedback
Prijavi komentar
Ali ste prepričani, da želite prijaviti ta komentar?
check_circle
Poročilo je bilo poslano
Vaše poročilo je bilo oddano in ga bo obravnaval moderator.
error
Vašega poročila ni mogoče poslati
Napišite mnenje
check_circle
Mnenje je bilo poslano
Vaš komentar je bil dodan in bo na voljo, ko bo potrjen s strani moderatorja.
Razpon: od DN50 do DN1200.
- Vklop/izklop zapornega ventila za nož ali nastavitev z naraščajočim steblom.
- Oblikovano monoblok ohišje
- Enosmerna vodotesnost: smer pretoka, označena s puščico na telesu.
- Namestitev med prirobnicami ISO PN10.
- majhno zadrževalno območje.
- Vrata s poševnim rezalnim robom, usmerjenimi v ohišje z majhnim zrakom.
- Zagotovljeno zapiranje, brez nevarnosti...
Funkcija VKLOP/IZKLOP ali regulacija. Montaža z navojno ploščo ISO PN10. Enosmerna tesnost, smerna oznaka zaradi puščice na telesu. Majhno zadrževalno območje: vrata so vodena v telesu in imajo malo prostora. Sklop žleze: tesnilo in O-obroč (iz istega materiala kot sedežni spoj) za zagotovitev elastičnosti in zmanjšanje delovne sile. Majhna izguba glave. Možnost regulacije gostih tekočin,...
Zaradi materialov, iz katerih so izdelani ventili MULTI, so deli veliko lažji od tradicionalnih ventilov ter hitri in enostavni za rokovanje in namestitev.
So zelo odporni na korozijo, UV svetlobo, toplotne udarce in mehanske obremenitve.
Telo ventila MULTI je izdelano iz poliestra izoftalne kisline, ojačanega s steklenimi vlakni, in prevlečeno z gelom iz izoftalne kisline.
Os je ERTACETAL...
1. Izvedba v skladu s standardom EN 16767.
2. Tesni in deluje v vodoravnem ali navpičnem položaju.
3. Samočistilna krogla.
4. Dvižni kavelj na pokrovu protipovratnega ventila za enostavno rokovanje.
5. Preprost in hiter demontažni pokrov.
6. Pokrov, ki omogoča zamenjava žoge.
7. Ohišje: barva epoxy, toplotno obdelana, 150 μm, RAL 5015.
8. Ohišje: litina EN-GJS-500-7
9. Priklop - BSP navoj
10....
Žabji pokrov služi za preprečevanje povratnega toka na odtoku drenažnih sistemov, cevovodov. V primeru naraščanja vodostaja (rek, potov, jezer in morja) se prepreči povratni tok. Pokrov se zaradi samodejnega zapiranja lopute zapre. Masa naraščajočega vodostaja pa omogoča, da naležna plošča (loputa) pritisne ob tesnilno gumo ter tako popolnoma zatesni cevovod. Žabji pokrov je uporaben tudi pri zaščiti pred poplavami, saj onemogoča da voda iz vodotokov prihaja preko cevovodov v zgradbe. Žabji pokrov preprečuje naseljevanje živali v cevovodu.
error Vašega mnenja ni mogoče poslati