Protipovratni ventil s kroglo - navojni preprečuje povraten tok tekočin. Primeren je za umazano vodo saj s svojo zasnovo omogoča "zapiranje vode" tudi za nečisto vodo. Pogosta uporaba: vodovod, čistilne naprave, vodarne, bioplinske naprave, črpališča odpadnih vod ter ostali tehnološki objekti in industrija kjer se srečujemo z umazano vodo, fekalno vodo, kanalizacijo ali pa samo tekočino za katero želimo preprečiti protipovratni tok.
Splošna uporaba: odpadne vode, lepljive tekočine, dvigovanje vode, (čiščenje, obdelava vode, črpanje ...)
Pridržujemo si pravico do spremembe cen, ki se zgodi v primeru povišanja cen s strani dobavitelja za izdelke, ki niso na zalogi oz. so na zalogi pri dobavitelju.
Zaenkrat še ni mnenj kupcev.
error
Vašega mnenja ni mogoče poslati
feedback
Prijavi komentar
Ali ste prepričani, da želite prijaviti ta komentar?
check_circle
Poročilo je bilo poslano
Vaše poročilo je bilo oddano in ga bo obravnaval moderator.
error
Vašega poročila ni mogoče poslati
Napišite mnenje
check_circle
Mnenje je bilo poslano
Vaš komentar je bil dodan in bo na voljo, ko bo potrjen s strani moderatorja.
Žabja loputa, žabji poklopci
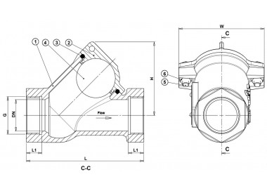
- Telo in loputa sta izdelana iz nerjavnega jekla 1.4301 (AISI 304).
- Obodno tesnjenje lopute NBR / EPDM po standardu ISO 1629
- Zamenljivo tesnilo na loputi ki preprečuje povratni tok.
- Razstavljive zveze (vijaki, podložke in matice), ki povezujejo elemente so iz nerjavečega jekla.
- Nazivni premeri priključkov v skladu s PN-EN ISO 6708.
- Oznaka lopute ustreza...
1. Izvedba v skladu s standardom EN 16767.
2. Tesni in deluje v vodoravnem ali navpičnem položaju.
3. Samočistilna krogla.
4. Dvižni kavelj na pokrovu protipovratnega ventila za enostavno rokovanje.
5. Preprost in hiter demontažni pokrov.
6. Pokrov, ki omogoča zamenjava žoge.
7. Ohišje: barva epoxy, toplotno obdelana, 150 μm, RAL 5015.
8. Ohišje: litina EN-GJS-500-7
9. Krogla: DN25 - 50 =...
Razpon: od DN110 do DN1000.
MATERIALI:
Telo, zavihek: PEHD
Tečaj, rebra: Nerjaveče jeklo 1.4301 (ali katero koli drugo glede na zahteve kupca).
Tesnila: EPDM (ali drug material, odvisno od delovnih pogojev, npr. NBR, VITON ali silikon).
Pritrdilni elementi: A2 (ali A4, če je potrebno)
MONTAŽA:
Lopute so nameščene glede na izbrano vrsto:
- na steno skozi luknje v adapterju z lepilnimi ali...
Funkcija VKLOP/IZKLOP ali regulacija. Montaža z navojno ploščo ISO PN10. Enosmerna tesnost, smerna oznaka zaradi puščice na telesu. Majhno zadrževalno območje: vrata so vodena v telesu in imajo malo prostora. Sklop žleze: tesnilo in O-obroč (iz istega materiala kot sedežni spoj) za zagotovitev elastičnosti in zmanjšanje delovne sile. Majhna izguba glave. Možnost regulacije gostih tekočin,...
Razpon: od DN50 do DN300.
- Vklop/izklop zapornega ventila ali nastavitev z naraščajočim steblom.
- Oblikovano monoblok ohišje
- Enosmerna vodotesnost: smer pretoka, označena s puščico na telesu.
- Namestitev med prirobnicami ISO PN10.
- majhno zadrževalno območje.
- Vrata s poševnim rezalnim robom, usmerjenimi v ohišje z majhnim zrakom.
- Zagotovljeno zapiranje, brez nevarnosti...
Zapornica za nadzor nad pretokom vode. Zapornice za vodo za postavitev na kanale, reke, cevi, črpališča, čistilne naprave ter različne tehnološke objekte. Namen: zapiranje, reguliranje pretoka umazane ali pitne vode. Izdelane iz nerjavnega materiala. Izdelava po standardu EN10088-1. Drsni elementi izdelani po standardu EN 12163 Zaradi lastnosti, obstojnosti se jih uporablja v čistilnih napravah...
Specifikacije izdelka:
• Monolitno ohišje - izdelano iz sferoidnega litega železa ENGJS 400-15 v celotnem območju premerov
• Oblika komore omogoča odstranjevanje umazanije v zadnji fazi zapiranja
• Vreteno iz nerjavečega jekla z valjanim navojem in integralnim obročem vretena 1.4021
• Vreteno je podprto s plastičnimi in medeninastimi podložkami z nizkim trenjem
• Strgala za čiščenje površine...
Razpon: DN50 do DN600.
- Vklop/izklop zapornega ventila za nož ali nastavitev z naraščajočim steblom.
- Oblikovano ohišje iz monobloka
- Enosmerna vodotesnost: Smer pretoka je na telesu označena s puščico.
- Namestitev med prirobnicami ISO PN10.
- majhno zadrževalno območje.
- Vrata s poševnim rezalnim robom, usmerjenimi v ohišje z majhnim zrakom.
- Zagotovljeno zapiranje, brez nevarnosti...
Protipovratni ventil s kroglo - navojni preprečuje povraten tok tekočin. Primeren je za umazano vodo saj s svojo zasnovo omogoča "zapiranje vode" tudi za nečisto vodo. Pogosta uporaba: vodovod, čistilne naprave, vodarne, bioplinske naprave, črpališča odpadnih vod ter ostali tehnološki objekti in industrija kjer se srečujemo z umazano vodo, fekalno vodo, kanalizacijo ali pa samo tekočino za katero želimo preprečiti protipovratni tok.
Splošna uporaba: odpadne vode, lepljive tekočine, dvigovanje vode, (čiščenje, obdelava vode, črpanje ...)
error Vašega mnenja ni mogoče poslati