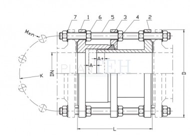
Flanges made of ductile cast iron EN-GJS 400-15 and steel 1.0038, galvanized steel or stainless steel bolts. EPDM sealing. Flanges by EN 1092-2 (DIN 2501) pressure PN10; PN16. Product marking according to EN 19; EN 1074.
Water line networks: potable water and other chemically inert fluids. Designed to support installation and removal of pipe fittings. Working pressure up to 1.6 MPa, temperature up to +70°C
Trusted client
Trusted delivery
16 other products in the same category:
Guaranteed for the use of cold and hot water80ºC Maximum Pressure: 8 bar20ºC Maximum Pressure: 16 barMinimum Temperature -10ºCNominal Pressure: PN 16 bar (200PSI)Threads according to ISO 228/1 (DIN259)Quick closing on both handles (1/4 turn)Packing gland in the stem Body and bonnet in nickel-plated brass (UNE EN 12165)
1. Brass construction (see material list) 2. Maximum working pressure: 16 bar (PN 16) from 3/8" to 2" and 4" 10 bar (PN 10) 2.1/2" and 3" 3. Pressure regulation range (Pnr) with standard spring: 0 - 10 bar (sizes from 3/8" to 3") 5 - 10 bar (size of 4") 4. Overpressure: 10% of Pnr 5. Reclosing value: 20% of Pnr 6. Threaded gas (BSP) F-F acc/ to ISO 228/1 7. Shell strength test: Test P10-EN...
APPLICATION - Reduction of mechanical and thermal stresse and related systems : pumps, compressors, actuators. -Absorption of lateral movements (30 mm and 60 mm). reduction of vibration and noise. Fluid: fluids subjected to high temperatures and pressures such as: steam, thermal oil, hot water, chemicals etc. GENERAL CHARACTERISTICS Range : from DN 25 to DN300 (MVT 30mm : -20/+10 mm axial)...
1. 3 Way reduced port ball valve. 2.”L” Ball configuration. 3. Threaded ends according to ISO 7-1 (EN 10226-1). 4. Made of stainless steel 1.4408 (CF8M). 5. Four Ball seats PTFE + 15 % G.F. 6. Stem gasket PTFE. 7. FKM (Viton) stem o’ring. 8. Anti-static device (Ball – Stem – Body). 9. Locking system. 10. Direct mounting actuator according to ISO 5211. 11. Blow-out proof stem. 12. Max. Working...
Product description (standard version): • Protection against pulling out of A4 stainless steel pipe • Acceptable axial deviation up to ± 8 ° • Applies to all types of bare pipes • Elastomeric seal allows easy installation • Ductile iron body and flange EN-GJS 450-10 • Stainless steel screws and nuts • Plastic protective caps on the ends of the screws • Installation in any position •...
error Your review appreciation cannot be sent